型 號:BMB型
規 格:1~3噸
公司名稱:日本鷹牌EAGLE CLAMP
保質周期:12
價 格(≤ 1) ¥電議 /臺
優惠價格(≥ 5):電議

![]()
產品特點:
◆無劃痕起吊:BMB橫吊無傷鋼板鉗鉗口經過特殊處理,起吊時不會留下咬痕
◆附帶鎖擋凸輪:BMB橫吊無傷鋼板鉗閂鎖式鎖定具有完整的凸輪擰緊機構可以可靠地發揮作用
◆自動擰緊:BMB橫吊無傷鋼板鉗通過懸吊負載實現強大的自動擰緊機構
◆結構堅固:BMB橫吊無傷鋼板鉗主體采用高抗拉強度鋼制,具有抗裂焊接結構
◆不易脫落:BMB橫吊無傷鋼板鉗無傷鋼板夾鉗附帶有螺旋式夾緊釋放裝置
?
EAGLE CLAMP BMB橫吊無傷鋼板鉗使用鋼材:鋼板、型鋼、H型鋼、縱向材料、鋼結構、不銹鋼板、復合鋼板、有色金屬等
![]()

![]()
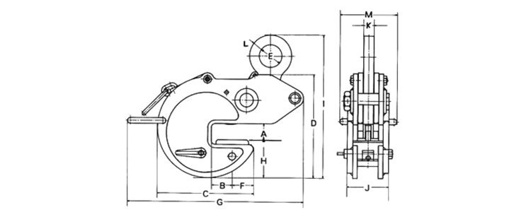
EAGLE CLAMP BMB橫吊無傷鋼板鉗尺寸圖:

| 型號 | 使用荷重 min~max(kg) |
有效板厚 (mm) |
A | B | C | D | E | F | G | H | I | J | K | L | M | 自重 (kg) |
| BMB-1(5-25) | 200~1000 | 5~25 | 28 | 40 | 163 | 183 | 36 | 35 | 306 | 58 | 292 | 67 | 19 | 14 | 116 | 7.9 |
| BMB-2(5-30) | 400~2000 | 5~30 | 33 | 40 | 186 | 205 | 40 | 36 | 344 | 62 | 330 | 82 | 22 | 18 | 124 | 12.8 |
| BMB-3(10-35) | 600~3000 | 10~35 | 38 | 50 | 215 | 231 | 50 | 45 | 382 | 73 | 388 | 90 | 22 | 20 | 124 | 18.0 |
注:由于產品不斷改良,當外形與參數變更時,均以實物為主,想要了解更多產品詳情可電話聯系我們.
【相關技術資料】選定高質量鋼板夾鉗方法:http://www.cpsholdings.com.cn/ziliao/600.html
![]()
EAGLE CLAMP BMB橫吊無傷鋼板鉗為日本原裝進口產品,保質1年,我公司承諾凡是客戶在我公司定購的進口類產品均為原裝正品,絕不存在拆件貨,換件貨,假冒品牌產品,凡客戶從我公司訂購該品牌產品如收到貨物時發現有拆件貨,換件貨,假冒、假貨仿貨均以100倍金額賠償。