型 號:G-L型
規 格:1-20噸
公司名稱:日本鷹牌EAGLE JACK
保質周期:12個月
價 格(≤ 1) ¥電議 /臺
優惠價格(≥ 5):電議

![]()
◆鷹牌EAGLE G-L加長爪式千斤頂在標準型爪式千斤頂的基礎上爪部加長設計,爪部與頭部均可頂升,使其應用范圍廣泛,爪部載荷是頭部的一半;
◆鷹牌EAGLE G-L加長爪式千斤頂油缸活塞部分采用耐磨損,防銹的高強度鉻,電鍍加工工藝,防止生銹和變形;
◆鷹牌EAGLE G-L加長爪式千斤頂的手柄插座可以自由旋轉,可以從各個角度進行操作,即使在有障礙物狹窄的地方,也可以躲避障礙物進行操作,起升速度快,效率高;
◆鷹牌EAGLE G-L加長爪式千斤頂此款千斤頂具備防過載安全閥和高度限位控制,有效延長產品使用壽命,確保安全使用。
鷹牌EAGLE G-L加長爪式千斤頂可定制無塵室環境使用千斤頂,滿足食品車間、醫療設備、電子精密設備等無塵環境使用。
注:G-40L、G-60L、G-100L型號加長爪式千斤頂可以橫向使用。
我公司還銷售日本DAIKI長趾爪式千斤頂–DH-LEN型DAIKI爪式千斤頂,詳情:http://www.cpsholdings.com.cn/czzsqjd/216.html
![]()
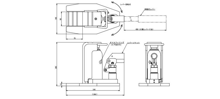
鷹牌EAGLE G-L加長爪式千斤頂尺寸圖:

|
型號 |
載荷 |
爪高 |
頭高 |
行程 |
底座寬度 |
底座長度 |
爪寬 |
爪長 |
自重 |
|
|
頭部 |
爪部 |
|||||||||
|
G-25L |
2.5 |
1.2 |
12 |
203 |
100 |
140 |
245 |
65 |
75 |
10 |
|
G-40L |
4 |
2 |
19 |
230 |
110 |
145 |
256 |
65 |
80 |
12 |
|
G-60L |
6 |
3 |
22 |
236 |
115 |
155 |
266 |
65 |
80 |
14 |
|
G-100L |
10 |
5 |
25 |
291 |
130 |
183 |
282 |
75 |
75 |
22 |
|
G-160L |
16 |
7 |
28 |
300 |
136 |
200 |
310 |
90 |
80 |
31 |
|
G-200L |
20 |
10 |
32 |
337 |
140 |
230 |
320 |
100 |
80 |
41 |
![]()
鷹牌EAGLE G-L加長爪式千斤頂實物圖:



鷹牌EAGLE G-L加長爪式千斤頂為重工業級別設計,被廣泛用于土木建設、設備起頂、防災救援工具等,可用于1-2mm的微調整作業、精密機械水平調整等。

![]()
鷹牌EAGLE G-L加長爪式千斤頂為日本原裝進口產品,保質12個月,我公司承諾凡是客戶在我公司定購的進口類產品均為原裝正品,絕不存在拆件貨,換件貨,假冒品牌產品,凡客戶從我公司定購鷹牌EAGLE G-L加長爪式千斤頂如收到貨物時發現有拆件貨,換件貨,假冒、假貨仿貨均以100倍金額賠償。
注意:不論產品出現上述那種問題,客戶需要提供清楚的故障視頻以及產品故障圖片,并說明使用方式。
可咨詢銷售人員0535-6106527!