型 號:WDP型搬運小坦克
規 格:2噸-10噸WDP型搬運小坦克
公司名稱:日本TIRROLLER搬運小坦克
保質周期:12
價 格(≤ 1) ¥電議 /臺
優惠價格(≥ 5):電議

![]()
◆?WDP搬運小坦克,有手動自走式旋轉驅動軸棘輪,通過手搖驅動前后移動,輕松省力.
◆WDP搬運小坦克采用聚氨酯滾輪,減少地板上的劃痕,減少振動.
◆WDP搬運小坦克可對設備進行前后微調.
WDP搬運小坦克屬于日本原裝進口TIRROLLER品牌的搬運工具,采用電鍍鋁合金材質制成,表面無油漆噴涂,可用于無塵室搬運場合.
![]()
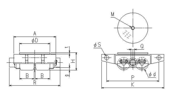
WDP搬運小坦克尺寸圖:

| 型?????????號 | WDP-2U | WDP-3U | WDP-5U | WDP-8U | WDP-10U | |
| ? 載???荷(噸) | 2 | 3 | 5 | 8 | 10 | |
| 自????????????重(kg) | 6 | 10 | 20 | 35 | 43 | |
| 移動阻力 | 鋼板路面 | 0.05 | 0.05 | 0.05 | 0.05 | 0.05 |
| 混凝土路面 | 0.07 | 0.07 | 0.07 | 0.07 | 0.07 | |
|
框架 |
A | 168 | 192 | 249 | 307 | 331 |
| K | 260 | 320 | 370 | 430 | 450 | |
| P | 210 | 260 | 310 | 370 | 390 | |
| H | 68 | 83 | 104 | 128 | 139 | |
| g | 10 | 12 | 15 | 18 | 20 | |
| ?S | 21 | 26 | 26 | 31 | 31 | |
| R | 196 | 230 | 301 | 379 | 423 | |
| Q六角孔對邊 | 13 | 17 | 22 | 27 | 32 | |
輪子 |
材質 | 聚氨酯 | ||||
| 個數 | 4 | 4 | 4 | 4 | 4 | |
| ?d | 46 | 60 | 75 | 95 | 105 | |
| B | 55 | 65 | 85 | 110 | 120 | |
轉盤 |
?D | 125 | 150 | 180 | 240 | 240 |
| t | 6 | 6 | 9 | 9 | 9 | |
| M | M16 | M16 | M20 | M20 | M20 | |
| 驅動力 | 3.2 | 6.3 | 13.1 | 26.6 | 36.8 | |
| 手柄(可選) | PHP-20 | PHP-25 | PHP-25 | PHP-30 | PHP-30 | |
注:由于產品不斷改良,當外形與參數變更時,均以實物為主,想要了解更多產品詳情可電話聯系我們.![]()
TIRROLLER WDP搬運小坦克為日本原裝進口產品,保質1年,我公司承諾凡是客戶在我公司定購的進口類產品均為原裝正品,絕不存在拆件貨,換件貨,假冒品牌產品,凡客戶從我公司訂購日本TIRROLLER 產品如收到貨物時發現有拆件貨,換件貨,假冒、假貨仿貨均以100倍金額賠償。